LDG電磁流量計

-
LDG一體(分體)式電磁流量計由傳感器和轉換器兩部分構成。它是基于法拉第電磁感應定律工作的,用來測量導電率大于5μS/cm導電液體的體積流量,是一種測量導電介質體積流量的感應式儀表。除可測量一般導電液體的體積流量外,還可用于測量強酸強堿等強腐蝕液體和泥漿、礦漿、紙漿等均勻的液固兩相懸浮液體的體積流量。
廣泛應用于石油、化工、冶金、輕紡、造紙、環保、食品、市政、水利建設、河流疏浚等領域的流量計量。
儀表特點:
1 測量不受流體密度、粘度、溫度、壓力和導電率變化的影響。
2. 測量管內無阻流部件,無壓損,直管段要求低。對漿液測量有獨特的適應性。
3. 合理選用電極和襯里材料,即具有良好的耐腐蝕性和耐磨損性。
4. 抗干擾能力強,測量可靠,精度高,流量測量范圍可達150:1。
5. 超低EMI開關電源,適用電源電壓變化范圍大,抗EMI性能好。
6. 在現場可根據用戶實際需要在線修改量程。
7. 具有RS485、 RS232、Hart等數字通訊信號輸出(選配)。
8. 具有自檢與自診斷功能。
技術參數:
儀表選型:
1.選型注意事項:
a)適用流量范圍的確定
儀表口徑的選擇是根據流量范圍確定。一般選擇在流量信號較強而儀表又能長期穩定工作的場合,根據流速--流量對照表(表3)再參考實際的工況條件選擇您的儀表口徑,推薦流速在1-3m/s范圍內。
b)襯里和電極的選擇
襯里、電極選擇參照表4、表5。
c)壓力及使用情況
選擇工況壓力、安裝形式、外殼防護等級、防爆要求、輸出配置等使用情況和條件。一體型適用于現場好的室內,分體型適用于傳感器使用環境惡劣、 管道震動較大被測介質溫度介質較高的場合。
2.型號及代碼
表2
實用案例:

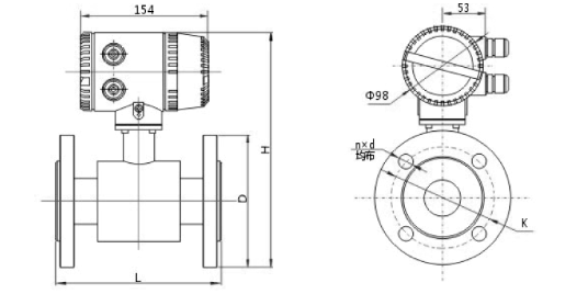
外形結構:
1 測量不受流體密度、粘度、溫度、壓力和導電率變化的影響。
2. 測量管內無阻流部件,無壓損,直管段要求低。對漿液測量有獨特的適應性。
3. 合理選用電極和襯里材料,即具有良好的耐腐蝕性和耐磨損性。
4. 抗干擾能力強,測量可靠,精度高,流量測量范圍可達150:1。
5. 超低EMI開關電源,適用電源電壓變化范圍大,抗EMI性能好。
6. 在現場可根據用戶實際需要在線修改量程。
7. 具有RS485、 RS232、Hart等數字通訊信號輸出(選配)。
8. 具有自檢與自診斷功能。
技術參數:
| 執行標準 | 電磁流量計(JJG1033-2007) |
|
公稱通經(mm) (特殊規格可定制) |
管道式四氟襯里:DN10-DN600 |
| 管道式橡膠襯里:DN40-DN2000 | |
| 流動方向 | 正,反,凈流量 |
| 量程比 | 150:1 |
| 重復性誤差 | 測量值的±0.1% |
| 精度等級 | 0.5級,1.0級 |
| 被測介質溫度 | 常規橡膠襯里:-20~+60℃ |
| 高溫橡膠襯里:-20~+90℃ | |
| 聚四氟乙烯襯里:-30~+120℃ | |
| 高溫型四氟襯里:-20~+160℃ | |
|
額定工作壓力 (高壓可定制) |
DN10~DN25≤4.0MPa |
| DN32~DN150≤1.6MPa | |
| DN200~DN600≤1.0MPa | |
| DN700~DN2000≤0.6MPa | |
| 流速范圍 | 0.1-15m/s |
| 電導率范圍 | 被測流體電導率≥5μs/cm |
| 信號輸出 | 4~20mA(負載電阻0~750Ω),脈沖/頻率,控制電平 |
| 通訊輸出 | RS485,MODBUS協議,HART協議,Profibus-DP協議 |
| 供電電源 | 220VAC,允差15%或24VDC,紋波≤5% |
| 要求直管段長度 | 上游≥5DN,下游≥2DN |
| 連接方式 | 流量計與配管之間均采用法蘭連接,法蘭符合國際:GB/T9113.1-2000 |
| 防爆等級 | Exd[ia]IICT5 |
| 防護等級 | IP65,特殊訂制最高可達IP68 |
| 環境溫度 | -25~+60℃ |
| 相對濕度 | 5%~95% |
| 消耗總功率 | 小于20W |
儀表選型:
1.選型注意事項:
a)適用流量范圍的確定
儀表口徑的選擇是根據流量范圍確定。一般選擇在流量信號較強而儀表又能長期穩定工作的場合,根據流速--流量對照表(表3)再參考實際的工況條件選擇您的儀表口徑,推薦流速在1-3m/s范圍內。
b)襯里和電極的選擇
襯里、電極選擇參照表4、表5。
c)壓力及使用情況
選擇工況壓力、安裝形式、外殼防護等級、防爆要求、輸出配置等使用情況和條件。一體型適用于現場好的室內,分體型適用于傳感器使用環境惡劣、 管道震動較大被測介質溫度介質較高的場合。
2.型號及代碼
表2
| 型號 | 說明 | ||||||||||
| LDG— | □ | □ | -□ | □ | /□ | /□ | □ | □ | □ | □ | |
| 公稱通徑 | 10-2000mm | ||||||||||
| 轉換器類型 | Y | 一體型 | |||||||||
| F | 分體型 | ||||||||||
| D | 低功耗 | ||||||||||
| 襯里材料 | 1 | 氯丁橡膠(CR) | |||||||||
| 2 | 聚氨酯橡膠(PU) | ||||||||||
| 3 | 聚四氟乙烯(F4或PTFE) | ||||||||||
| 4 | 特氟龍(F46/FEP) | ||||||||||
| 電極材料 | 1 | 316L不銹鋼 | |||||||||
| 2 | 鈦合金 | ||||||||||
| 3 | 哈氏合金-B | ||||||||||
| 4 | 哈氏合金-C | ||||||||||
| 5 | 鉭合金 | ||||||||||
| 6 | 鉑銥合金 | ||||||||||
| 7 | 碳化鎢 | ||||||||||
| 壓力等級 | P1 | 0.6Mpa | |||||||||
| P2 | 1.0Mpa | ||||||||||
| P3 | 1.6Mpa | ||||||||||
| P4-n | 其他 | ||||||||||
| 信號輸出 | 1 | 4-20mA | |||||||||
| 2 | 脈沖 | ||||||||||
| 3 | 4-20mA帶RS485 | ||||||||||
| 4 | 4-20mA帶HART | ||||||||||
| 供電電源 | A | 220VAC | |||||||||
| D | 24VDC | ||||||||||
| 防爆等級 | 0 | 無 | |||||||||
| 1 | EXd II BT6 防爆 | ||||||||||
| 2 | Exia II CT5本安 | ||||||||||
| 防護等級 | 1 | IP65 | |||||||||
| 2 | IP67 | ||||||||||
| 3 | IP68 | ||||||||||
| 接地方式 | 0 | 無 | |||||||||
| 1 | 接地環 | ||||||||||
| 2 | 接地電極 | ||||||||||
實用案例:

外形結構:
儀表特點:
1 測量不受流體密度、粘度、溫度、壓力和導電率變化的影響。
2. 測量管內無阻流部件,無壓損,直管段要求低。對漿液測量有獨特的適應性。
3. 合理選用電極和襯里材料,即具有良好的耐腐蝕性和耐磨損性。
4. 抗干擾能力強,測量可靠,精度高,流量測量范圍可達150:1。
5. 超低EMI開關電源,適用電源電壓變化范圍大,抗EMI性能好。
6. 在現場可根據用戶實際需要在線修改量程。
7. 具有RS485、 RS232、Hart等數字通訊信號輸出(選配)。
8. 具有自檢與自診斷功能。
技術參數:
1 測量不受流體密度、粘度、溫度、壓力和導電率變化的影響。
2. 測量管內無阻流部件,無壓損,直管段要求低。對漿液測量有獨特的適應性。
3. 合理選用電極和襯里材料,即具有良好的耐腐蝕性和耐磨損性。
4. 抗干擾能力強,測量可靠,精度高,流量測量范圍可達150:1。
5. 超低EMI開關電源,適用電源電壓變化范圍大,抗EMI性能好。
6. 在現場可根據用戶實際需要在線修改量程。
7. 具有RS485、 RS232、Hart等數字通訊信號輸出(選配)。
8. 具有自檢與自診斷功能。
技術參數:
| 執行標準 | 電磁流量計(JJG1033-2007) |
|
公稱通經(mm) (特殊規格可定制) |
管道式四氟襯里:DN10-DN600 |
| 管道式橡膠襯里:DN40-DN2000 | |
| 流動方向 | 正,反,凈流量 |
| 量程比 | 150:1 |
| 重復性誤差 | 測量值的±0.1% |
| 精度等級 | 0.5級,1.0級 |
| 被測介質溫度 | 常規橡膠襯里:-20~+60℃ |
| 高溫橡膠襯里:-20~+90℃ | |
| 聚四氟乙烯襯里:-30~+120℃ | |
| 高溫型四氟襯里:-20~+160℃ | |
|
額定工作壓力 (高壓可定制) |
DN10~DN25≤4.0MPa |
| DN32~DN150≤1.6MPa | |
| DN200~DN600≤1.0MPa | |
| DN700~DN2000≤0.6MPa | |
| 流速范圍 | 0.1-15m/s |
| 電導率范圍 | 被測流體電導率≥5μs/cm |
| 信號輸出 | 4~20mA(負載電阻0~750Ω),脈沖/頻率,控制電平 |
| 通訊輸出 | RS485,MODBUS協議,HART協議,Profibus-DP協議 |
| 供電電源 | 220VAC,允差15%或24VDC,紋波≤5% |
| 要求直管段長度 | 上游≥5DN,下游≥2DN |
| 連接方式 | 流量計與配管之間均采用法蘭連接,法蘭符合國際:GB/T9113.1-2000 |
| 防爆等級 | Exd[ia]IICT5 |
| 防護等級 | IP65,特殊訂制最高可達IP68 |
| 環境溫度 | -25~+60℃ |
| 相對濕度 | 5%~95% |
| 消耗總功率 | 小于20W |
1.選型注意事項:
a)適用流量范圍的確定
儀表口徑的選擇是根據流量范圍確定。一般選擇在流量信號較強而儀表又能長期穩定工作的場合,根據流速--流量對照表(表3)再參考實際的工況條件選擇您的儀表口徑,推薦流速在1-3m/s范圍內。
b)襯里和電極的選擇
襯里、電極選擇參照表4、表5。
c)壓力及使用情況
選擇工況壓力、安裝形式、外殼防護等級、防爆要求、輸出配置等使用情況和條件。一體型適用于現場好的室內,分體型適用于傳感器使用環境惡劣、 管道震動較大被測介質溫度介質較高的場合。
2.型號及代碼
表2
a)適用流量范圍的確定
儀表口徑的選擇是根據流量范圍確定。一般選擇在流量信號較強而儀表又能長期穩定工作的場合,根據流速--流量對照表(表3)再參考實際的工況條件選擇您的儀表口徑,推薦流速在1-3m/s范圍內。
b)襯里和電極的選擇
襯里、電極選擇參照表4、表5。
c)壓力及使用情況
選擇工況壓力、安裝形式、外殼防護等級、防爆要求、輸出配置等使用情況和條件。一體型適用于現場好的室內,分體型適用于傳感器使用環境惡劣、 管道震動較大被測介質溫度介質較高的場合。
2.型號及代碼
表2
| 型號 | 說明 | ||||||||||
| LDG— | □ | □ | -□ | □ | /□ | /□ | □ | □ | □ | □ | |
| 公稱通徑 | 10-2000mm | ||||||||||
| 轉換器類型 | Y | 一體型 | |||||||||
| F | 分體型 | ||||||||||
| D | 低功耗 | ||||||||||
| 襯里材料 | 1 | 氯丁橡膠(CR) | |||||||||
| 2 | 聚氨酯橡膠(PU) | ||||||||||
| 3 | 聚四氟乙烯(F4或PTFE) | ||||||||||
| 4 | 特氟龍(F46/FEP) | ||||||||||
| 電極材料 | 1 | 316L不銹鋼 | |||||||||
| 2 | 鈦合金 | ||||||||||
| 3 | 哈氏合金-B | ||||||||||
| 4 | 哈氏合金-C | ||||||||||
| 5 | 鉭合金 | ||||||||||
| 6 | 鉑銥合金 | ||||||||||
| 7 | 碳化鎢 | ||||||||||
| 壓力等級 | P1 | 0.6Mpa | |||||||||
| P2 | 1.0Mpa | ||||||||||
| P3 | 1.6Mpa | ||||||||||
| P4-n | 其他 | ||||||||||
| 信號輸出 | 1 | 4-20mA | |||||||||
| 2 | 脈沖 | ||||||||||
| 3 | 4-20mA帶RS485 | ||||||||||
| 4 | 4-20mA帶HART | ||||||||||
| 供電電源 | A | 220VAC | |||||||||
| D | 24VDC | ||||||||||
| 防爆等級 | 0 | 無 | |||||||||
| 1 | EXd II BT6 防爆 | ||||||||||
| 2 | Exia II CT5本安 | ||||||||||
| 防護等級 | 1 | IP65 | |||||||||
| 2 | IP67 | ||||||||||
| 3 | IP68 | ||||||||||
| 接地方式 | 0 | 無 | |||||||||
| 1 | 接地環 | ||||||||||
| 2 | 接地電極 | ||||||||||




