LUCB插入式渦街流量計

-
插入式渦街流量傳感器,廣泛的使用于各種行業大口徑管道中氣體、液體、蒸汽流量計量,也可測量含有微小顆粒,雜質的渾濁液體,并可作為流量變送器用于自動控制系統中。按國際標準化組織IS07145(在環形截面封閉管道中的流體流量測定---在截面一點的速度測量法),采用埋入壓電晶體的渦街測速探頭,插入大口徑工業管道內,將卡門旋渦頻率轉換為與流量成正比的脈沖或電流信號。

儀表特點:
1. 可實現不斷流拆裝傳感器,可實現放大器與傳感器分離。
2. 采用消擾電路和抗振傳感頭,使儀表具有一定抗環境振動性能。
3. 壓力損失小,量程范圍寬,范圍度達25:1 。
4. 無可動部件,長期穩定,結構簡單便于安裝和維護。
5.可測介質溫度達+250℃。
技術參數:
1. 可實現不斷流拆裝傳感器,可實現放大器與傳感器分離。
2. 采用消擾電路和抗振傳感頭,使儀表具有一定抗環境振動性能。
3. 壓力損失小,量程范圍寬,范圍度達25:1 。
4. 無可動部件,長期穩定,結構簡單便于安裝和維護。
5.可測介質溫度達+250℃。
技術參數:
| 執行標準 | 渦街流量計(JJG1029-2007) |
| 公稱通徑(mm) | 200、250、300、350、400、450、500、600、800、1000、1200、1500、2000 |
| 公稱壓力(MPa) | 1.6MPa、2.5MPa |
| 精度等級 | 液體:±2% 氣體或蒸汽:±2.5% |
| 量程比 | 1:10、1:15、1:20 |
| 傳感器材質 | 304不銹鋼、316(L)不銹鋼等 |
| 使用條件 |
介質溫度:-40℃~+250℃ 環境溫度:-20℃~+60℃ 相對濕度:5%~90% 大氣壓力:86KPa~106KPa |
| 信號輸出功能 | 脈沖信號、4~20mA信號 |
| 通訊輸出功能 | RS485通訊、HART協議等 |
| 工作電源 |
· 外電源:+24VDC±15%,紋波≤±5%,適用于4-20mA輸出、脈沖輸出、RS485等 · 內電源:1組3.0V10AH鋰電池,電池電壓在2.0V~3.0V時均可正常工作。 |
| 信號線接口 | 防爆型:內螺紋M20×1.5 |
| 防爆等級 | ExiaⅡCT5或ExdⅡBT6 |
| 防護等級 | IP65或更高(可訂制) |
1. 一般液體和氣體適用流量范圍表
2.型號及代碼
表3
注:
A.液體使用流量范圍的測試條件是常溫水(t=20℃,ρ=1000Kg/m³)。
氣體使用測量范圍的測試條件是常溫常壓的空氣(t=20℃,ρ=101.325KPa,ρ=1.205Kg/m³)
B.已知標準狀態下的體積流量換算成工況下的體積流量
一般氣體的計量單位常用標準狀態體積計量單位,即標準立方米/小時(Nm³/h),簡稱“標方”。先將標準狀態體積流量換算成工況狀態體積流量,即 立方米/小時(m³/h)然后再與表3適用流量范圍進行比較。
| 公稱通徑(mm) | 測量范圍(m³/h) | 公稱通徑(mm) | 測量范圍(m³/h) | ||
| 液體 | 氣體 | 液體 | 氣體 | ||
| 200 | 70-700 | 600-6000 | 500 | 450-4500 | 4200-42000 |
| 250 | 110-1100 | 1060-10600 | 600 | 600-6000 | 6100-61000 |
| 300 | 180-1800 | 1500-15000 | 800 | 800-8000 | 11000-110000 |
| 350 | 210-2100 | 2000-20000 | 1000 | 1200-12000 | 17000-170000 |
| 400 | 270-2700 | 2700-27000 | 1200 | 1800-18000 | 24000-240000 |
| 450 | 350-3500 | 3300-33000 | 1500 | 2600-26000 | 38000-380000 |
表3
| 型號 | 說明 | |||||||||
| LUCB— | □ | /□ | -□ | □ | □ | □ | □ | □ | □ | 利用卡門渦街原理 |
| 通徑 | 200-2000mm | |||||||||
| 儀表類型 | S | 脈沖 | ||||||||
| A | 4-20mA | |||||||||
| R | 4-20mA 帶RS485 | |||||||||
| H | 4-20mA 帶HART | |||||||||
| W | 4-20mA 溫度補償一體化 | |||||||||
| Y | 4-20mA 溫度壓力補償一體化 | |||||||||
| 安裝方式 | 1 | 簡易插入式 | ||||||||
| 2 | 球閥插入式 | |||||||||
| 介質 | 1 | 液體 | ||||||||
| 2 | 氣體 | |||||||||
| 3 | 飽和蒸汽 | |||||||||
| 4 | 過熱蒸汽 | |||||||||
| 傳感器材質 | H1 | 304不銹鋼 | ||||||||
| H2 | 316(L)不銹鋼 | |||||||||
| 結構形式 | A | 一體型 | ||||||||
| B | 分體式 | |||||||||
| 顯示 | 1 | 無 | ||||||||
| 2 | 現場液晶顯示 | |||||||||
| 防爆等級 | E | 防爆,ExdIIBT6 | ||||||||
| N | 不防爆 | |||||||||
| 耐壓等級 | N | 常規 | ||||||||
| H(X) | 高壓(協商訂貨) | |||||||||
A.液體使用流量范圍的測試條件是常溫水(t=20℃,ρ=1000Kg/m³)。
氣體使用測量范圍的測試條件是常溫常壓的空氣(t=20℃,ρ=101.325KPa,ρ=1.205Kg/m³)
B.已知標準狀態下的體積流量換算成工況下的體積流量
一般氣體的計量單位常用標準狀態體積計量單位,即標準立方米/小時(Nm³/h),簡稱“標方”。先將標準狀態體積流量換算成工況狀態體積流量,即 立方米/小時(m³/h)然后再與表3適用流量范圍進行比較。
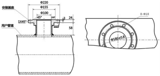
1.結構形式


2.簡易式流量計安裝方法
n 在滿足流量計直管段要求的安裝點上開一個φ100的圓缺。
n 用φ109×4.5mm基座的下管段與管道上開好口的圓缺焊接,基座焊接后目測不得有明顯的歪斜。
n 將測速探頭插入管道中,調整好插入深度使測頭中心與管道的中軸相吻合,測頭中心線與管道中軸線的夾角不應大于5度,然后調整好流向標使其與流體的流向相同。
n 把法蘭或球閥與焊接好的基座對接,用螺栓緊固好。
3.球閥式流量計(有截止閥型)安裝和拆卸方法
n 未注尺寸和材料均由用戶根據耐壓強度和防腐要求自行確定。
n “安裝基座”在管道上的位置應端正,直觀應無明顯的偏斜。
n 非鋼制管道可用夾箍固定“安裝基座”,但夾箍上必須有圖中所示的空隙尺寸85mm,以便在安裝球閥時由此空隙穿入螺栓M16×65。
n 法蘭連接尺寸的標準:GB4216.4-84。



2.簡易式流量計安裝方法
n 在滿足流量計直管段要求的安裝點上開一個φ100的圓缺。
n 用φ109×4.5mm基座的下管段與管道上開好口的圓缺焊接,基座焊接后目測不得有明顯的歪斜。
n 將測速探頭插入管道中,調整好插入深度使測頭中心與管道的中軸相吻合,測頭中心線與管道中軸線的夾角不應大于5度,然后調整好流向標使其與流體的流向相同。
n 把法蘭或球閥與焊接好的基座對接,用螺栓緊固好。
3.球閥式流量計(有截止閥型)安裝和拆卸方法
n 未注尺寸和材料均由用戶根據耐壓強度和防腐要求自行確定。
n “安裝基座”在管道上的位置應端正,直觀應無明顯的偏斜。
n 非鋼制管道可用夾箍固定“安裝基座”,但夾箍上必須有圖中所示的空隙尺寸85mm,以便在安裝球閥時由此空隙穿入螺栓M16×65。
n 法蘭連接尺寸的標準:GB4216.4-84。




